MAR-HX60A □40 Oldham coupling
Multi-Turn Absolute Encoder
Super mid-range series multi-turn Oldham coupling model to suit a wide range of applications
Nikon absolute encoders (rotary encoders) incorporate proprietary optical and M-sequence absolute pattern technologies to combine high reliability with compact dimensions. Used in a broad range of industrial machinery, including industrial robots for automotive production lines and machine tools, they have won widespread acclaim as standard sensors capable of detecting the rotational displacement of robot arms and other equipment as absolute values.
Features
High resolution
High operating temperatures
Applications
- Ideal for small AC servo motors used in industrial robots, service robots, pick-and-place machine, and other equipment
Specifications
Swipe horizontally to view full table.
| Model | MAR-HX60A □40 Oldham coupling | |
|---|---|---|
| Resolution | Single-turn | Max.27bit (134,217,728 positions/rev.) |
| Multi-turn signal | Max. 16 bit (65,536 revolutions) | |
| Responsive revolution speed | With mains power | 6,000 min-1 |
| With backup battery | 6,000 min-1 | |
| Power source voltage | With mains power | 5 V DC (±10%) |
| With backup battery | 3.6 V DC | |
| Current used | During normal operations | 80 mA (TYP) |
| Using external battery | 55 μA (TYP) | |
| Operating temperature range | ‒20 to +95°C | |
| Moment of inertia for shaft | 21.5 × 10-7 kg·m2 | |
| Allowed rotational angular velocity | 1.0 × 105 rad/sec2 | |
| Communication protocol | A-format® | |
| Transmission standard | EIA standard RS-485 compliant | |
| Transmission method | NRZ half-duplex serial communications | |
| Baud rate | 2.5 Mbps (Optional: 4 Mbps to 16 Mbps) | |
| Number of signal wires | 4 (Optional: 6) | |
| Memory access development space | 3.75k bit (240 × 16 bit) | |
| Temperature sensor | Supported | |
| Bus connectivity | Supported | |
| Bus connectivity options | Encoders can be connected for up to 8 axes. | |
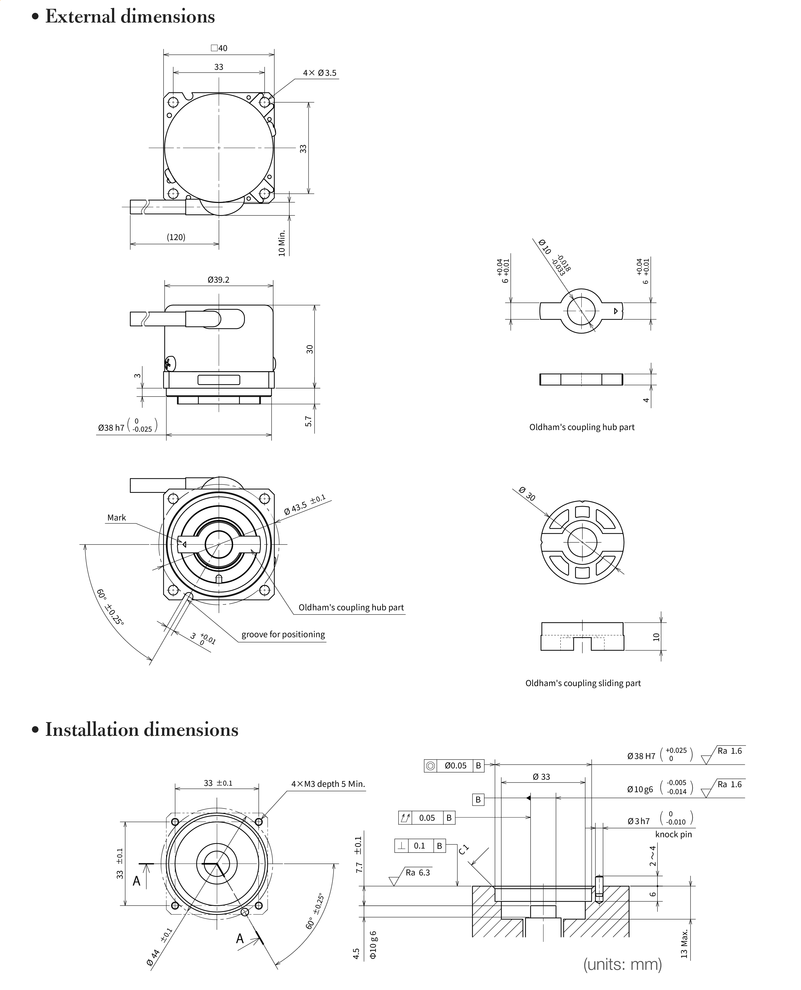
| Dimensions | External diameter (⌀) | 40 mm |
| Height | 30 mm (TYP) | |
Dimensional Drawings